CATALOGUE
% mēneša piedāvājums %
-
Akcija
Dražice elektriskie, piekaramie, vertikālie boileri OKCE 50
Vertikāli piestiprināms pie sienas.
Elektriskie boileri pieejami ar tilpumu no 50 - 200l.
Attālums starp stiprinājuma vietām nav mainījies, tas nozīmē ka bez liekām problēmām varēsiet nomainīt veco Dražice boileri pret jauno.
Ūdens sildīšana notiek ar keramisko sildelementu, kuru darbību regulē termostats.
Temperatūras diapozons no 5 līdz 74°C. Nominālais spriegums - 1-PE-M/AC 230 V/50 Hz. Ar IP 45 aizsardzību jūs boileri varat uzstādīt arī vannas istabā.Cena: 277.83€
Vecā cena: 370.44€
-
Akcija
Granulu kamīns Eva Calor TITTI 6,3 kW sarkans
Tehniskie parametri
*Modelis: Titti
*Kopējā siltuma jauda: maks.: 6,3 kW – min.: 2,9 kW.
*Izejas jauda sildot: max: 5 kW - min: 2,5 kW.
*Eko-novērtējums: 4 zvaigžņu produkts.
*Energoefektivitātes klase: A+.
*Efektivitāte: Pmax: 87,5% - Pmin: 92%
*CO vērtība pie 13% no 0₂: Pmax: 0,019% - Pmin: 0,024%.
*Tvertnes ietilpība: 10 kg.
*Apsildāmās telpas izmērs: 50–120 m³.
*Minimālie attālumi no uzliesmojošām sienām: sānos: 30 cm, aizmugurē: 25 cm, priekšpusē: 100 cm.
*Strāvas padeves spriegums/frekvence: 230 V/50 Hz.
*Nominālā elektriskā jauda: 250 W.
*Izmēri: platums: 40 cm - dziļums: 37,4 cm - augstums: 89 cm.
*Svars: 43 kg.
*Sadegšanas kamera: tērauda sadegšanas kamera.
*Brazieris: nerūsējošā tērauda kauss.
*Atbilst standartiem: EN 14785 - BImSchV II - 15a B-VG - LRV/VKF.
*Skurstenis: aizmugurē.
*Displejs: 3 M taustiņi.
*Tālvadības pults: iekļauta.
*Pelnu tvertne: noņemama pelnu tvertne pelnu izmešanai.
*Wi-Fi modulis tālvadības pultij: pēc izvēles.
*Aizsardzības platforma: pēc izvēles.Cena: 758.00€
Vecā cena: 1,516.00€
-
Akcija
Siltumsūkņa GREE Iekšējais bloks VERSATI IV DUAL ar 185L tvertni 4,3kW
GAISS-ŪDENS SILTUMSŪKNIS GREE "VERSATI DUO - IV"
*Apkures jauda no 4,3 līdz 16 kW
*Efektīvais darbības diapazons no -30°C līdz +35°C; melns ārējais bloks
*A klases cirkulācijas sūknis
*Iebūvēts 185L ūdens boileris
*Kontrolieris ar skārienjutīgu krāsu ekrānu
*WI-FI vadība caur viedtālruni
*Divu apkures loku vadība
*Invertora tipa kompresors
*Klusās darbības režīms
*Atvaļinājuma režīms
*Sterilizācijas režīms
*Ātra ūdens sildīšanas funkcija
*Piemērots sistēmām ar akumulācijas tvertni
*Integrēta dzesēšanas funkcija. Iespēja pasīvi atdzesēt caur grīdu vai aktīvi cauri ventilatora spoles (ventilatoru spoles)Cena: 2,363.72€
Vecā cena: 2,847.86€
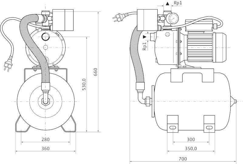
WILO ūdens apgādes sūkņi HWJ 203-X EM 50L
Art. Nr. : 4265554
Code: 20421210
In stock : Ir pieejams
Price (incl.VAT): 441.16€
Vecā cena: 551.45€
| Store | Availability |
|---|---|
| Asteru iela 1A, Tukums | Yes |
| Atmodas iela 19, Jelgava | Yes |
| Kārļa iela 7, Ventspils | Yes |
| Rīgas iela 77, Daugavpils | Yes |
| Latgales iela 444B, Rīga, LV-1063 | Yes |
Sūkņu vadība ar vadības komplektu ar membrānas tipa spiedientvertni, spiediena slēdzi un manometru (0 – 6 bar). Visas detaļas, kurām ir saskare ar ūdeni, ir nerūsējošas.
Sūkņu iekārta samontēta un ir gatava pieslēgšanai, kā arī uzstādīti visi vadi ar 2 m garu kabeli un elektrotīkla kontaktspraudni. Ideāli piemērota transportējamai izmantošanai dārza vai vaļasprieku vajadzībām. Trīsfāzu maiņstrāvas modeļiem pieslēgums caur termināļa kārbu.
Materiāli
Sūkņa korpuss: 1.4301
Rotors: 1.4301
Sūkņa vārpsta: 1.4005 [AISI416]
Gala blīvējums: Ogleklis/keramika
Pakāpju kameras: Noryl
Diffuser/Injector: Noryl
Blīvējumi: NBR
Atļautie sūknējamie šķidrumi (citi šķidrumi pēc pieprasījuma)
Tīrs ūdens bez nosēdumiem: •
Tehniskais, aukstais, dzesēšanas un lietus ūdens: •
Lietus ūdens: −
Jauda
Sūknēšanas augstums maks.: 8 m
Pieplūdes spiediens maks.: 1 bar
Šķidruma temperatūra: +5...+35 °C
Maks. apkārtējā gaisa temperatūra: 40 °C
Standarta modelis darba spiedienam: 6 bāri
Elektrotīkla pieslēgums 1~, standarta modelis: 230 V
Tīkla frekvence: 50 Hz
Nominālais apgriezienu skaits: 2850 apgr./min
Motors/elektronika
aizsardzības pakāpe: IP 44
Izolācijas klase: B
Elektrības patēriņš: 1,0 kW
Cauruļvadu savienojumi
Pieslēguma nominālais diametrs spiediena pusē: Rp 1
Pieslēguma nominālais diametrs iesūkšanas pusē: G 1
| Raksturlielumi | ||
| Sūknēšanas augstums maks | 8 | m |
| Pieplūdes spiediens maks | 1 | bar |
| Šķidruma temperatūra | +5 līdz +35 | °C |
| Maks. apkārtējā gaisa temperatūra | 40 | °C |
| Standarta modelis darba spiedienam | 6 | bar |
| Elektrotīkla pieslēgums 1~, standarta modelis | 230 | V |
| Tīkla frekvence | 50 | Hz |
| Nominālais apgriezienu skaits | 2850 | apgr./min |
| aizsardzības pakāpe | 44 | IP |
| Izolācijas klase | B | klase |
| Elektrības patēriņš | 1,0 | kW |
| Pieslēguma nominālais diametrs spiediena pusē | 1 | Rp |
| Pieslēguma nominālais diametrs iesūkšanas pusē | 1 | G |
| Ražotajs | WILO | |
| Nosaukums | apgādes automāti Jet HWJ | |
| Modelis | HWJ 203-X EM | |
| Ražotajs | WILO | |
| Nosaukums | ūdens apgādes sūkņi | |
| Modelis | HWJ 203-X EM | |
-
Why to choose us ?
"SB" Ltd from more than 28 years has proven itself to be a competitive and successful partner in the sphere of heating systems in Latvia and Europe as well.



* Discount is available while these produsts are in the stock
*The colour and complectation can differ from the illustrative material
*If the produst is not in the stock, the prise is only informateive and can be changed